全国足疗信息论坛分享,51龙凤茶楼论坛合肥,全国茶楼信息网官网,辽宁楼凤论坛qm

聚焦瑞凯,传递环境检测行业新动态

恒温恒恒湿试验箱的制冷系统技术讲

作者: salmon范 编辑: 瑞凯仪器 来源: m.94ww99.cn 发布日期: 2020.09.19

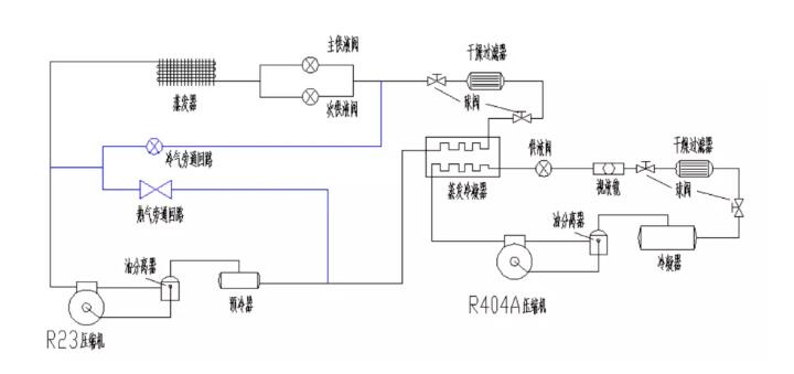
    恒温恒湿试验箱 的制冷系统多采用R404A和R23两种工质,其中R404A可单独使用设计成单级制冷系统,R23则必须搭配R404A系统一起组成复叠式制冷系统才可以正常工作。无论哪种形式的制冷系统都需要维持制冷系统在低制冷输出甚至零制冷输出时的运行,其中冷热旁通方式维持回气是简单常用的形式。通过在制冷系统排气管连接一根热气管,在液管干燥过滤器后连接一根液管,通过合理的节流和流量控制,汇合后接入压缩机吸气管道。当恒温恒恒湿试验箱需求的制冷量不足以维持压缩机运行小吸气量时,冷热旁通共同工作或单独工作,保证压缩机的吸排气量要求运行。连接方式如图1,图2所示。

单机带冷热旁通制冷系统

图1 单机带冷热旁通制冷系统

复叠带冷热旁通制冷系统

图2 复叠带冷热旁通制冷系统
    恒温恒湿试验箱大制冷量需求时,主供液阀和次供液阀同时向蒸发器供液,保证压缩机能够发挥能力。部分制冷量需求时,通过对主供液阀和次供液阀的调节,来匹配试验设备对于不同制冷量的需求。
【相关推荐】
查看详情 + 上一条 恒温恒湿试验箱冷热旁通回路设计方法
查看详情 + 下一条 按照新药典,你的稳定性试验箱【可能】不合格

东莞市瑞凯环境检测仪器有限公司 版权所有

备案号:粤ICP备11018191号

咨询热线:400-088-3892 技术支持:瑞凯仪器 百度统计

联系我们

  • 邮箱:riukai@riukai.com
  • 手机:189 3856 3648
  • 座机:0769-81019278
  • 公司地址:东莞市横沥镇神乐一路15号

关注我们

  • <a title="瑞凯仪器客服" target="_blank" href="javascript:void(0);"></a>客服微信