全国足疗信息论坛分享,51龙凤茶楼论坛合肥,全国茶楼信息网官网,辽宁楼凤论坛qm

聚焦瑞凯,传递环境检测行业新动态
您的位置: 首页 > 新闻资讯
瑞凯仪器
18 2021-09

风风雨雨-瑞凯仪器闯过的二十年!

瑞凯研发设计为一体,并细分为几大设计方向,每个方向又设有专门的技术研发团队??椋髂?榈纳杓平峁阕芪桓稣?。这样既保证了产品的特性,还能达到产品的优化。如今,瑞凯堪称是制造大厂,也基本上具备了多方面面进军制造强厂的条件。
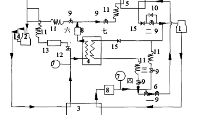
高低温试验箱运行原理

高低温试验箱运行原理

一年中室内环境温度平均在5℃~35℃间,当高低温试验箱中设定的温度明显高于室温时,无需启动制冷循环,仅依靠电加热器和试验…
如何选择高低温试验箱的制冷剂?

如何选择高低温试验箱的制冷剂?

目前,许多生产复叠式制冷机组的制造商大多采用的是R22或R13制冷剂组,R22是氢氯氟烃类制冷剂,而R13是氯氟烃类制冷…
HAST试验箱在贴片薄膜电阻失效分析中的应用

HAST试验箱在贴片薄膜电阻失效分析中的应用

本文将HAST高压加速老化试验箱应用于电阻失效机理的研究和耐湿热性能的评估中,展示了HAST高压加速老化试验箱在电阻失效…
高低温试验箱整体方案的设计

高低温试验箱整体方案的设计

在做高低温环境试验时,首先在计算机上位机界面设定测试的温度范围,然后根据测试产品的需求使高低温试验箱开始工作。如先做低温…
电源模块高低温试验高低温试验是用来确定产品在低温、高温两个极端气候环境条件下的适应性和一致性,检查设计余量是否足够。因为元器件的特性在低温…
沙尘试验怎么做

沙尘试验怎么做?有哪些标准?

沙尘试验主要用于低压电器、电机、仪器、仪表、电子产品、灯具的沙尘模拟检测,是评价手机、电工产品等产品在砂尘环境中的密封性…

东莞市瑞凯环境检测仪器有限公司 版权所有

备案号:粤ICP备11018191号

咨询热线:400-088-3892 技术支持:瑞凯仪器 百度统计

联系我们

  • 邮箱:riukai@riukai.com
  • 手机:189 3856 3648
  • 座机:0769-81019278
  • 公司地址:东莞市横沥镇神乐一路15号

关注我们

  • <a title="瑞凯仪器客服" target="_blank" href="javascript:void(0);"></a>客服微信